Date: April 5, 1996
Product: LCT/LCR STL Systems
Serial #’s: 350 and above
Problem: VCO Losing Lock
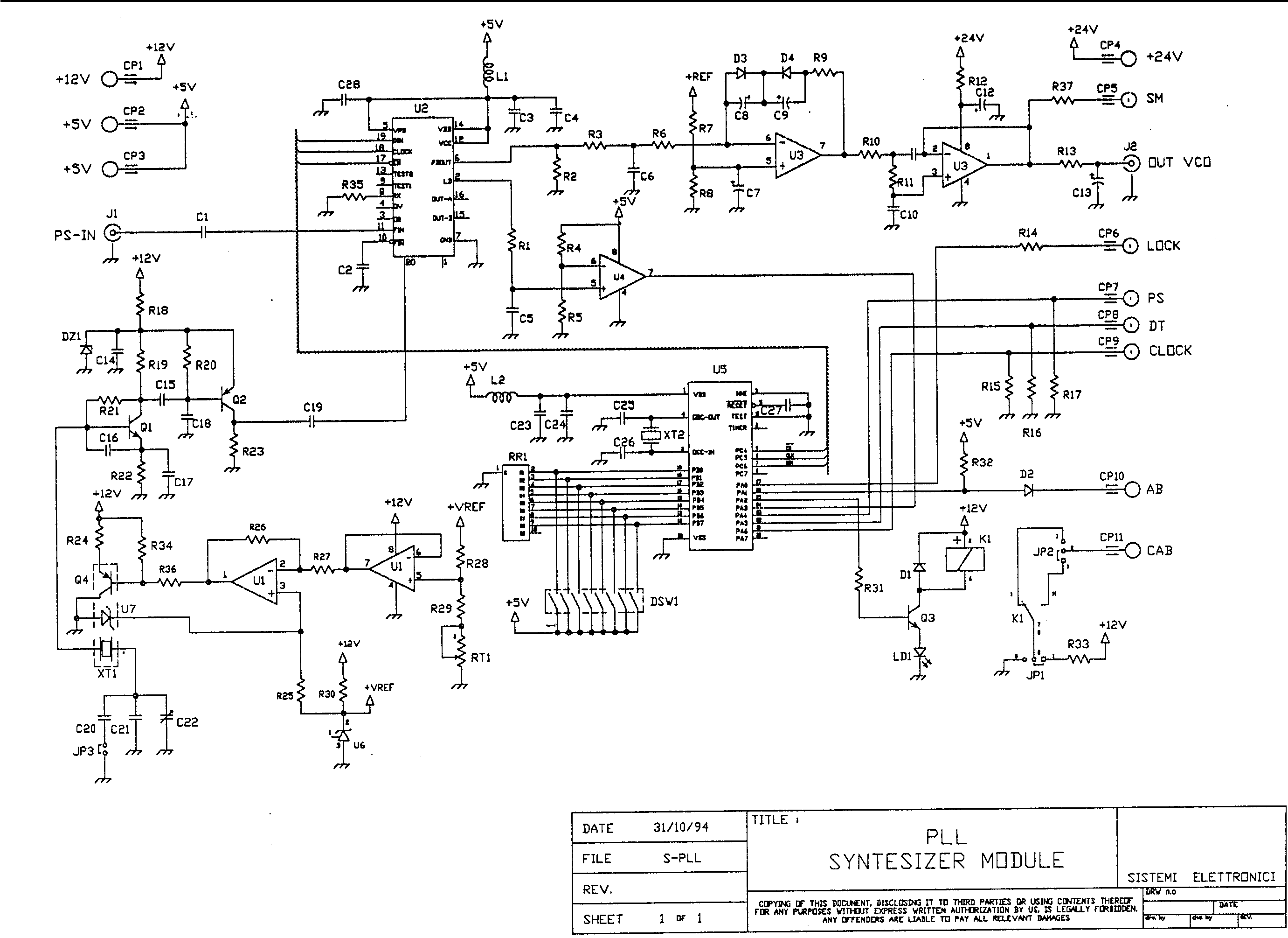
A new compact PLL Synthesizer Module has been incorporated in all current STL systems.
The power output of the VCO from the connector which goes to the Synthesizer should be about minus 2 dBm. Some of the units which have reached the field have had levels of plus 0.4 dBm which causes intermodulation in the divider chip in the synthesizer module. This level must be measured with a spectrum analyzer. This output is in the range of 460 to 480 MHz or half the output which comes out the front end port of the VCO. The 900 MHz output should be in the range of 8 – 13 dBm or a nominal +10 dBm.
The cure for the high output problem is to solder a 100 ohm resistor from the output center pin of the 460 MHz output to ground. This attenuates the signal to the synthesizer so that it will divide correctly.
The way to recognize the problem is to put a scope at pin 16 of the divider chip (U2) a surface mount chip near the rear of the synthesizer module, while placing a 100 ohm resistor on the VCO 460 MHz output. The divider output at pin 16 will change frequency when the resistor is put in. This indicates that the power level at the input to the synthesizer is too high.



